
product center

麻豆APP下载地址回轉支承(11係列)——外齒式
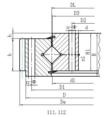
結構特點、性能、適用範圍
麻豆APP下载地址回轉支承,由兩個座圈組成,結構緊湊、重量輕、製造精度高,裝配間隙小,對安裝精度要求高,滾柱為1:1交叉排列,能同時承受軸向力,傾翻力矩和較大的徑向力,被廣泛地用於起重運輸、工程機械和軍工產品上。
序號
外齒式
外型尺寸
安裝尺寸
結構尺寸
齒輪參數
齒輪圓周力
參考
D
d
H
D1
D2
n
mm
dm
L
n1
D3
d1
H1
h
b
x
m
De
z
正火
調質
1
111.25.500
602
398
75
566
434
20
18
M16
32
4
498
502
65
10
60
0.5
5
629
123
3.7
5.2
80
112.25.500
6
628.8
102
4.5
6.2
2
111.25.560
662
458
75
626
494
20
18
M16
32
4
558
562
65
10
60
0.5
5
689
135
3.7
5.2
90
112.25.560
6
688.8
112
4.5
6.2
3
111.25.630
732
528
75
696
564
24
18
M16
32
4
628
632
65
10
60
0.5
6
772.8
126
4.5
6.2
100
112.25.630
8
774.4
94
6
8.3
4
111.25.710
812
608
75
776
644
24
18
M16
32
4
708
712
65
10
60
0.5
6
850.8
139
4.5
6.2
110
112.25.710
8
854.4
104
6
8.3
5
111.28.800
922
678
82
878
722
30
22
M20
40
6
798
802
72
10
65
0.5
8
966.4
118
6.5
9.1
170
112.28.800
10
968
94
8.1
11.4
6
111.28.900
1022
778
82
978
822
30
22
M20
40
6
898
902
72
10
65
0.5
8
1062.4
130
6.5
9.1
190
112.28.900
10
1068
104
8.1
11.4
7
111.28.1000
1122
878
82
1078
922
36
22
M20
40
6
998
1002
72
10
65
0.5
10
1188
116
8.1
11.4
210
112.28.1000
12
1185.6
96
9.7
13.6
8
111.28.1120
1242
998
82
1198
1042
36
22
M20
40
6
1118
1122
72
10
65
0.5
10
1298
127
8.1
11.4
230
112.28.1120
12
1305.6
106
9.7
13.6
9
111.32.1250
1390
1110
91
1337
1163
40
26
M24
48
5
1248
1252
81
10
75
0.5
12
1449.6
118
11.3
15.7
350
112.32.1250
14
1453.2
101
13.2
18.2
10
111.32.1400
1540
1260
91
1487
1313
40
26
M24
48
5
1398
1402
81
10
75
0.5
12
1605.6
131
11.3
15.7
400
112.32.1400
14
1607.2
112
13.2
18.2
11
111.32.1600
1740
1460
91
1687
1513
45
26
M24
48
5
1598
1602
81
10
75
0.5
14
1817.2
127
13.2
18.2
440
112.32.1600
16
1820.8
111
15.1
22.4
12
111.32.1800
1940
1660
91
1887
1713
45
26
M24
48
5
1798
1802
81
10
75
0.5
14
2013.2
141
13.2
18.2
500
112.32.1800
16
2012.8
123
15.1
22.4
13
111.40.2000
2178
1825
112
2110
1891
48
33
M30
60
8
1997
2003
100
12
90
0.5
16
2268.8
139
18.1
25
900
112.40.2000
18
2264.4
123
20.3
28.1
14
111.40.2240
2418
2065
112
2350
2131
48
33
M30
60
8
2237
2243
100
12
90
0.5
16
2492.8
153
18.1
25
1000
112.40.2240
18
2498.4
136
20.3
28.1
15
111.40.2500
2678
2325
112
2610
2391
56
33
M30
60
8
2497
2503
100
12
90
0.5
18
2768.4
151
20.3
28.1
1100
112.40.2500
20
2776
136
22.6
31.3
16
111.40.2800
2978
2625
112
2910
2691
56
33
M30
60
8
2797
2803
100
12
90
0.5
18
3074.4
168
20.3
28.1
1250
112.40.2800
20
3076
151
22.6
31.3
17
111.50.3150
3376
2922
134
3286
3014
56
45
M42
84
8
3147
3153
122
12
110
0.5
20
3476
171
27.6
38.3
2150
112.50.3150
22
3471.6
155
30.4
42.1
18
111.50.3550
3776
3322
134
3686
3414
56
45
M42
84
8
3547
3553
122
12
110
0.5
20
3876
191
30.4
38.3
2470
112.50.3550
22
3889.6
174
30.4
42.1
19
111.50.4000
4226
3772
134
4136
3864
60
45
M42
84
10
3997
4003
122
12
110
0.5
22
4329.6
194
30.4
42.1
2800
112.50.4000
25
4345
171
34.5
47.8
20
111.50.4500
4726
4272
134
4636
4364
60
45
M42
84
10
4497
4503
122
12
110
0.5
22
4835.6
217
30.4
42.1
3100
112.50.4500
25
4845
191
34.5
47.8
注:
DL
mm
重量
kg
mm
mm
mm
mm
mm
mm
mm
mm
mm
mm
mm
mm
mm
mm
mm
Z 104N
T 104N
1、n1為潤滑油孔數,均布:油杯M10×1 JB/T7940.1-JB/T7940.2
2、安裝孔n-Φ可改用螺孔;齒寬b可改為H-h。
3、表內齒輪圓周力為大圓周力,額定圓周力取其1/2。
4、外齒修頂係數為0.1。